PT CRUISER 00-09 24 143HP SEDZ. Used options and get the best deals for 2005 Chrysler PT Cruiser Wiring Diagrams Manual at the best online prices at eBay.
Diagram Pt Cruiser Stereo Wiring Diagram Full Version Hd Quality Wiring Diagram Mediagrame Roofgardenzaccardi It
Shop with Edmunds for perks and special offers on used.

Authentic pt cruiser belt diagram and the description. Here is an article that explains the timing belt and offers guidance on replacement intervals. The Chrysler PT Cruiser is listed as a light truck but all other physical attributes point to it being a wagon and that is how it is marketed. The Chrysler PT Cruiser is a front-engine front-wheel drive compact crossover SUV manufactured and marketed internationally by Chrysler in 4-door hatchback wagon and 2-door convertible body stylesover a single generation with an intermediate facelift for model year 2006.
THESE PARTS WERE MADE FOR USE ON THE VARIOUS VEHICLES LISTED ABOVE. This contrasts with other transmissions that provide a limited number of gear ratios in fixed steps. Free shipping for many products.
Enter fault codes and see their description with suggested components to test. Find many great new. Commanding the Patrol Torpedo Craft PT PT 109 Lieutenant Kennedy and his crew participated in early Allied war campaigns.
Shop for a Pacifica Hybrid Battery Charger or Charging station and other Mopar parts. On August 2 1943 PT 109 was struck by the Japanese destroyer Amagiri and the entire crew was thrown into the Pacific. OEM Toyota Timing Belts.
23022007 The timing belt or chain is the sole component that keeps the camshaft make that camshafts on a DOHC or V-type OHC engine and crankshaft in sync. 03062004 THE PART NUMBERS PACKAGED WITH INCORRECT NUTS ARE. Noted for its exterior recalling styling from the 1930s the PT Cruiser was designed by Bryan Nesbitt.
The base PT Cruiser uses a 24 liter 4 cylinder engine. If this is a maintenance service you may want to locate a new belt before removing the old one. K7147 K7329 K8683 AND 104353.
Complete coverage for your Chrysler PT Cruiser all models 01-10-- Routine Maintenance-- Tune-up procedures-- Engine repair-- Cooling and heating-- Air Conditioning-- Fuel and exhaust-- Emissions control-- Ignition-- Brakes-- Suspension and steering-- Electrical systems-- Wiring diagrams. Driven by the engines crankshaft pulley a timing belt provides rotational. 22052021 Chrysler PT Cruiser The Chrysler PT Cruiser is a retro styled compact automobile officially launched by Chrysler as a 5-door hatchback in early 2000 for the 2001 model year and as a 2-door convertible in early 2005.
A continuously variable transmission is an automatic transmission that can change seamlessly through a continuous range of gear ratios. 30042006 Step 1 Buy a new belt before proceeding with removing the old one. The Used 2005 Chrysler PT Cruiser Convertible Base is priced between 4950 and 4950 with odometer readings between 95057 and 95057 miles.
However the turbocharged PT Cruiser Limited and Dream Cruiser 5 can both generate up to 180 HP or approximately 30 more than the base model. 2010 Chrysler PT Cruiser Classic 4dr Wagon 24L 4cyl 4A 4-speed automatic regular unleaded 21 compined MPG 19 city MPG24 highway MPG. At some point in your Toyotas life it will need a timing belt replacement.
These OEM auto accessories are available at low prices in our online store. Most vehicles require rubber timing belts. Timing Belt MoparOnlineParts offers genuine Timing Belts for select Chrysler Dodge and Jeep vehicles.
THE NUTS INCLUDED IN THE. These Timing Belts also come with their original warranties. Chrysler PT CRUISER CONVERTIBLE PHASE 1 - 2D 2004-03-2005-12.
The flexibility of a CVT with suitable control may allow the engine to operate at a constant RPM while the vehicle moves at varying speeds. With Mopar youll get the right part for your Chrysler Dodge Jeep Ram or FIAT vehicle. Shop from the list of timing belts below.
14072006 But this distinct combination of retro styling general versatility roominess and comfort make the PT a unique offering to the convertible customer. If the belt has broken or slipped you can wait until the old one is removed before buying a new one so you can compare them to be sure the new one is the correct one for your vehicle. Welcome to the official store of genuine Mopar parts and accessories.
Kennedy joined the US Navy in 1941 and was stationed in the Solomon Islands in the South Pacific during World War II. Diagrams and written tutorials a wide range of instructional videos are available to view. A timing belt is a toothed belt made of reinforced rubber that rides on sprocket wheels.
We stock genuine Toyota timing and serpentine belts for the RAV4 Tundra and other Toyota models.
2007 Chrysler 300 Engine Diagram Serpentine Belt Diagram Chrysler 300 Wiring Diagram 7 Pin Plug Of 2007 Chrysler 300 Map Sensor Chrysler Minivan Chrysler Hemi
Toyota Land Cruiser J70 3 Door 1990 Toyota Land Cruiser Land Cruiser Toyota
Serpentine Routing Toyota Tundra Sr5 2007 Toyota Tundra Toyota Tundra
Diagram Wiring Diagrams For 2003 Pt Cruiser Full Version Hd Quality Pt Cruiser Mediagrame Imra It
Volvo S4 Engine Parts Diagram Diagram Design Diagram Volvo
Vsv Constictor Intake Controls For Hilux Surf 1kzte Toyota Hilux 1kz Te Repair Toyota Hilux Hot Rods Cars Muscle Toyota
Alternators For 2004 Chrysler Pt Cruiser Mopar Estores
Diagram 2002 Pt Cruiser Radiator Diagram Full Version Hd Quality Radiator Diagram Hassediagram Picciblog It
Cooling Fan Wiring Diagram Chrysler Pt Cruiser Radiator Fan Electric Cooling Fan
Diagram 06 Pt Cruiser Pcm Wiring Diagram Tcm Full Version Hd Quality Diagram Tcm Diagramaperu Mariachiaragadda It
How To Replace Alh Serpentine Belt Tensioner And Idler Pulley With Photos Page 2 Pulley Calipers Tools Automotive Repair
Diagram C230 Belt Diagram Full Version Hd Quality Belt Diagram Ahadiagram Casale Giancesare It
Toyota Serpentine Belt Diagram Toyota Tundra Sr5 2007 Toyota Tundra Toyota Tundra
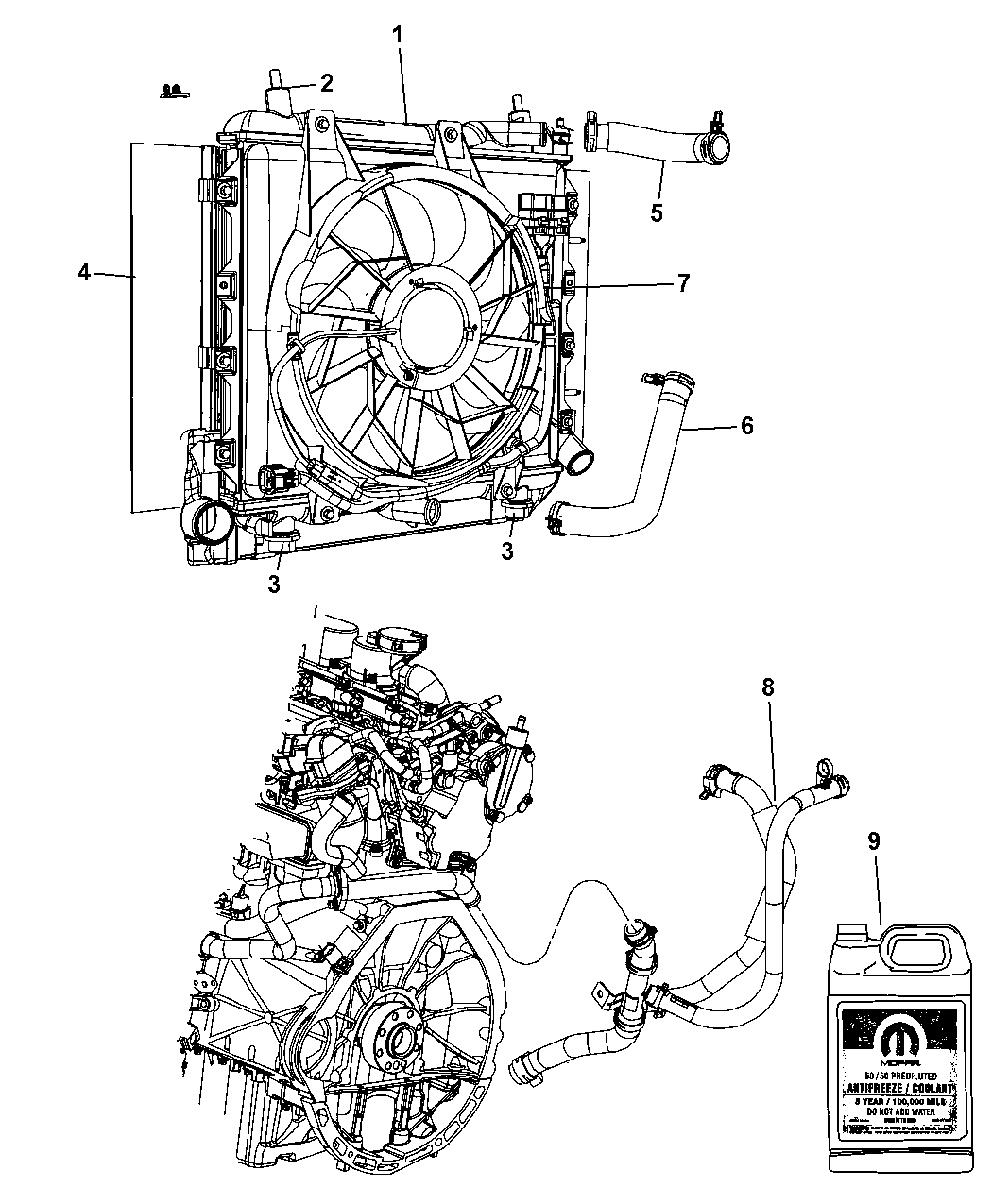
Radiator And Related Parts For 2005 Chrysler Pt Cruiser Mopar Parts Az